DLS水-风冷却假负载功率计
  DLF风冷却假负载
  DLC干式自然冷却假负载
  DLA干式自冷却衰减器
  DLCP干式自然冷却假负载功率计
  射频大功率电阻器
  大功率微带电阻器、终端负载、衰减器
  同轴转换开关
  无源器件
   
bed@rf-bed.com
 
  首页 > 产品展示 > 大功率微带电阻器、终端负载、衰减器 >正文
 
打印 收藏 返回
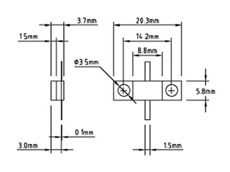
RE40微带电阻器
大功率微带电阻、终端负载、衰减器。具有如下特点:阻值范围宽、承受功率大、温度系数低、可在-55℃~+100℃范围内承受100%功率。
                                
查看PDF  
 
  产品详细说明
功率: 40W

导航链接:官方博客 假负载 衰减器 微带电阻 同轴开关 射频电阻 射频功率计 发射机